Pembahasan mengenai power quality merupakan subjek yang sangat luas pada power system. Hal tersebut meliputi segala aspek pada power system engineering mulai dari pembangkitan, transmisi, level distribusi sampai permasalahan yang ada pada end user. Konteks tersebut semakin kompleks dengan penerapan pembangkit listrik berbasis energi terbarukan dan bagaimana bulk power tersebut dapat diintegrasikan dengan jaringan transmisi eksisting. Selain itu, power quality juga sangat krusial dalam pelayanan pasokan listrik pada pelanggan konsumer tegangan tinggi (KTT) yang sangat bergantung pada kualitas tegangan lisrik yang disalurkan.
Karena sangat menarik jadi pada tulisan ini kita coba untuk mempelajari metode analisa power quality pada suatu sub sistem dalam kesempatan ini kita coba pakai studi kasus di wilayah ULTG Jember. Jadi disini kita akan coba simulasikan kualitas tegangan pada transmisi menggunakan software DigSilent.
Jadi sebenarnya apa itu power quality?
Kalau berdasarkan definisinya secara harfiah, power quality dapat diartikan sebagai kualitas dari tegangan dan atau qualitas arus yang meliputi, nilai pengukuran, analisa dan peningkatan tegangan pada bus untuk menjaga gelombang sinusoidal pada nilai tegangan dan frekuensi nominal.
Di sini kita coba analisa nilai tegangan pada bus bar di gardu induk wilayah ULTG Jember dengan asusmsi tidak ada Static Capacitor yang terhubung .
Pada sistem transmisi sendiri, permasalahan power quality bersumber pada gangguan akibat sambaran petir yang menyebabkan flashover pada insulator, kedip tegangan, hingga reclose circuit breaker hingga trip. Selain itu, pemadaman yang dilakukan untuk pemeliharaan juga dapat mempengaruhi power quality yang mengakibatkan suatu sirkit tidak bisa dipadamkan apabila ingin dilakukan pemeliharaan sistem secara offline.
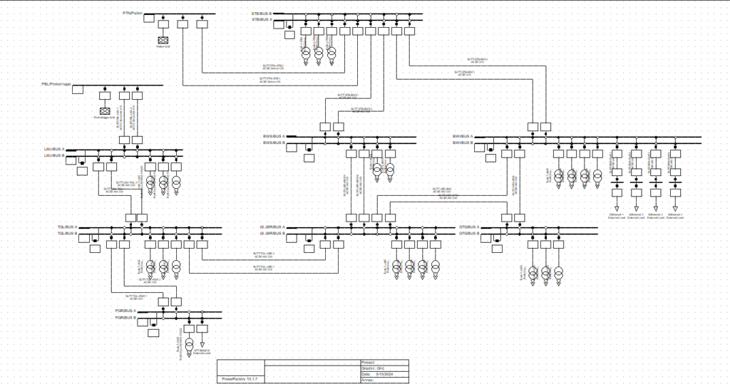
Memodelkan jaringan transmisi ULTG Jember
Jaringan transmisi ULTG Jember merupakan bagian dari sub sistem Paiton dimana sub sistem ini berperan penting dalam penyaluran tenaga listrik ke Pulau Bali melalui empat sirkit kabel laut yang melintasi Selat Bali.

Collect data!
Langkah pertama dalam memodelkan sistem adalah kumpulkan data-data yang mendukung dalam menjalankan simulasi seperti, beban pada transformator di masing-masing GI, tegangan nominal pada busbar, rating transformator, beban yang dikirim melalui kabel laut, rating konduktor dan konfigurasi sistem.
Sebagai contoh, kita akan memodelkan sistem pada GI Situbondo yang menggunakan konfigurasi double busbar yang mendapat supply daya dari penghantar Paiton kemudian menyalurkan ke penghantar Bondowoso dan Banyuwangi serta mensuplai tiga transformator. Sehingga kita bisa buat model seperti berikut.

Jika sudah berhasil memodelkan GI Situbondo, kita lanjut memodelkan GI yang lain hingga membentuk konfigurasi seperti peta transmisi di atas dan menjadi seperti skematik berikut.

Jika kita sudah berhasil menggambar skematiknya. Kita lanjut ke langkah berikutnya.
Setup
Hal yang pertama harus kita konfigurasi adalah busbar dengan mengisi tegangan rating busbar.

Selanjutnya kita setup rating transformator di masing-masing GI dan untuk isiannya bisa disesuaikan dengan datacheet masing-masing trafo.

Kemudian kita input beban pada incoming di tiap-tiap trafo. Metode yang sama juga diterapkan untuk setup beban yang ditransfer melalui kabel laut.

Kemudian lagi, kita konfigurasi spesifikasi konduktor beserta panjang sirkit pada tiap-tiap penghantar.

Jika semua komponen sudah kita setup selanjutnya kita klik Calculate Load Flow dan akan mucul loadflow pada skematik yang sudah kita buat.

Kita zoom ke GI Situbodo yang menerima daya dari Paiton yang menjadi supply utama tenaga listrik ke Bali.

Lalu kita juga coba zoom ke GI Banyuwangi dan kita perhatikan load flow ke Gilimanuk.

Studi kasus
Sekarang kita coba rekayasa skema seperti ini, Penghantar Paiton-Situbondo yang sudah terbebani 68.9% akan dipadamkan salah satu sirkitnya. Berhubung n-1 penghantar tersebut tidak terpenuhi, kita terpaksa harus melepas beban yang disalurkan ke Gilimanuk. Nah, dari ke-empat sirkit Gilimanuk, berapakah minimal sirkit Gilimanuk yang harus dilepas agar n-1 Paiton terpenuhi dan dapat dipadamkan salah satu sirkitnya.
Jika kita lepas beban di tiga sirkit Gilimanuk dalam kondisi satu sirkit di penghantar Paiton-Situbondo dipadamkan maka pembebanan di penghantar tersebut menjadi 89.7%

Degnan konfigurasi di sirkit arah Gilimanuk mendai berikut.

Menarik ya!
Simulasi tersebut bisa kita maksimalkan lagi dengan memadamkan dua sirkit Situbondo-Bondowoso sehingga kita bisa mem-push beban penghantar Paiton hingga 88%

Dengan kondisi pembebanan di Kabel Laut menjadi.

Summary
Dengan membuat model sistem transmisi seperti di atas, kita bisa mensimulasikan rekayasa konfigurasi dalam kondisi tertentu dengan hasil mendekati realtime. Pada simulasi tersebut kita juga bisa melakukan analisa kebutuhan kapasitor bank yang dibutuhkan untuk memperbaiki nilai tegangan pada bus bar dan juga kita bisa mengetahui dampak seperti apa yang akan dirasakan sistem apabisa terhubung dengan pembangkit energi terbarukan seperti yang saat ini sedang di kerjakan di wilayah Banyuwangi dimana GI Banyuwangi akan terhubung dengan PLTP dan rencananya akan terhubung dengan jaringan SUTET/GITET serta PLTS.
